深圳市联升达五金塑胶制品有限公司
联系方式
深圳市联升达五金塑胶制品有限公司
网址:www.szslsd.cn
联系人:游先生
电话:0755-28224198
广东省深圳市龙岗区坪地街道年丰社区横岭工业区锦恒路3号
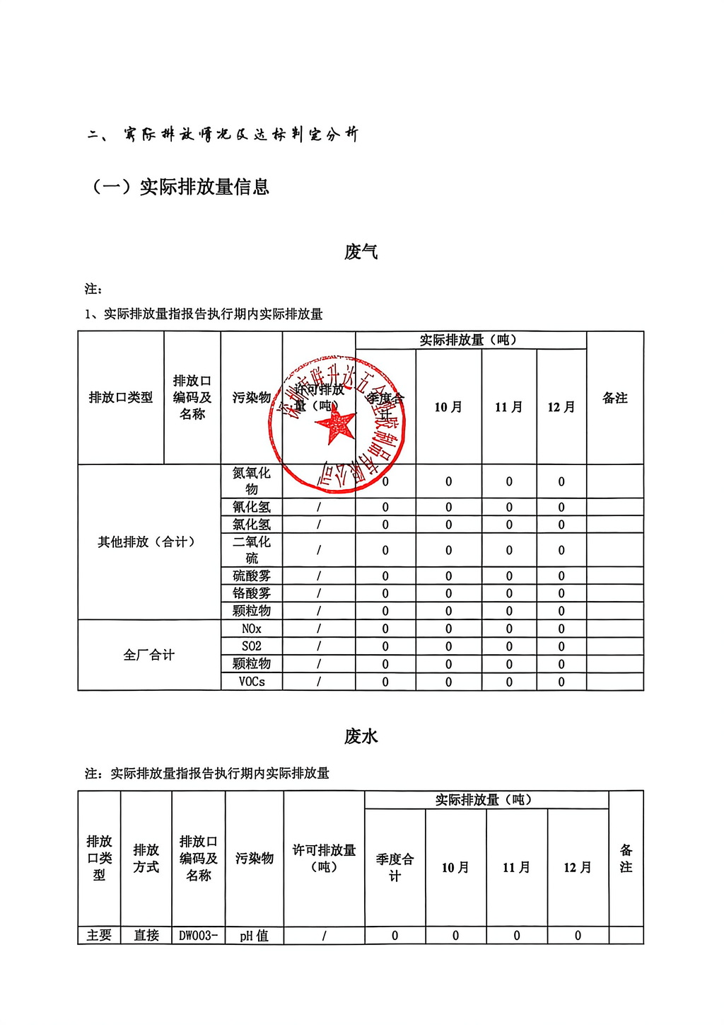
排污许可证执行报告
  • 作者:
  • 来源:
  • 日期: 2026-01-29
  • 浏览次数: 12
































 

Copyright © 深圳市联升达五金塑胶制品有限公司 工信部备案:粤ICP备15091231号
热线:0755-28224198 深圳市龙岗区坪地街道年丰社区横岭工业区锦恒路3号 URL:www.szslsd.cn

本站部分图文来源网络,如有侵权问题请通知我们处理!
做网站维护